Датчик натяжения сквозного вала LS400/LS500
Датчик натяжения LS400/LS500 со сквозным валом, разработанный Arise, использует импортную технологию полного мостового тензодатчика, обеспечивающую высокую точность и температурную компенсацию. Благодаря передовым методам обработки сигнала и температурной компенсации датчик обеспечивает исключительную точность, минимальный температурный дрейф и превосходную линейность. Он эффективно подавляет электростатические помехи и помехи от импульсов преобразователя частоты, обеспечивая надежную работу в различных условиях эксплуатации. Защита от перегрузки защищает датчик от повреждения при чрезмерных нагрузках. Доступны диапазоны 30 кг, 50 кг, 100 кг, 200 кг и другие.
Датчик натяжения сквозного вала LS400/LS500
• Высокая точность с температурной компенсацией
• Низкий температурный дрейф
• Отличная линейность
• Защита от перегрузки
• Высокая надежность в различных условиях эксплуатации
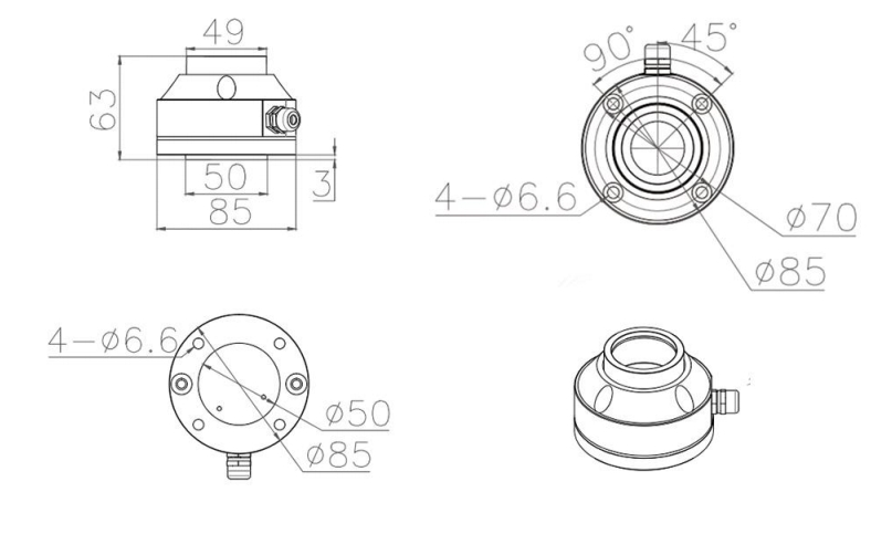
Габаритные параметры датчика натяжения сквозного вала LS400
| Класс точности | 0,1 | |
| Номинальное значение характеристики (чувствительность) | 2 мВ/В | |
| Комбинированная погрешность | <1% | |
| Принцип измерения | Тензодатчик полного моста | |
| Номинальное сопротивление тензорезисторного моста | 350 Ом | |
| Номинальное напряжение питания моста | 5 В | |
| Максимально допустимое значение | 14 В | |
| Механический упор | 1,2–1,8 x FN (зависит от типа) | |
| Рабочая нагрузка | 1,2–1,8 x FN | |
| Разрушающая нагрузка | 10 x FN | |
| Диапазон измерения | 0,15–0,25 мм (зависит от типа) | |
| Номинальный температурный диапазон | +5–+55 °C | |
| Диапазон рабочих температур | +5–+55 °C | |
| Степень защиты | IP45 | |
| Максимально допустимая осевая сдвигающая сила | 1 x FN | |
| Диаметр вала | 17 мм/25 мм | |
| Масса | 1,735 кг | 

Габаритные параметры датчика натяжения сквозного вала LS500
| Класс точности | 0,1 | |
| Номинальное характеристическое значение (чувствительность) | 2 мВ/В | |
| Комбинированная погрешность | <1% | |
| Принцип измерения | Тензодатчик полного моста | |
| Номинальное сопротивление тензорезисторного моста | 350 Ом | |
| Номинальное напряжение питания моста | 5 В | |
| Механический упор | 1,2–1,8 x FN (зависит от типа) | |
| Рабочая нагрузка | 1,2–1,8 x FN (зависит от типа) | |
| Разрушающая нагрузка | 10 x FN | |
| Диапазон измерения | 0,15–0,25 мм (зависит от типа) | |
| Номинальный температурный диапазон | +5–+55 °C | |
| Диапазон рабочих температур | +5–+55 °C | |
| Степень защиты | IP54 | |
| Масса | 1,735 кг | 


